ကျွန်ုပ်တို့ကို အီးမေးလ်ပို့ပါ။
သတင်း

Mini တူးဖော်ရေးနှင့်ထိန်းသိမ်းခြင်းနှင့်ထိန်းသိမ်းခြင်း

Mini တူးဖော်ရေးနှင့်ထိန်းသိမ်းခြင်းနှင့်ထိန်းသိမ်းခြင်း


Mini တူးဖော်ဆောက်လုပ်ရေးဆန်းသစ်တီထွင်မှုနှင့်အသိဉာဏ်ရှိသောပြုပြင်ထိန်းသိမ်းမှု - ကြီးမားသောစီမံကိန်းများကိုသယ်ဆောင်သည့်အသေးစားခန္ဓာကိုယ်


1, Mini တူးဖော်တည်ဆောက်သူများတည်ဆောက်ခြင်း၏ခွဲခြမ်းစိတ်ဖြာခြင်း - 'အာကာသမှော်' ကိုပုံဖော်ခြင်း

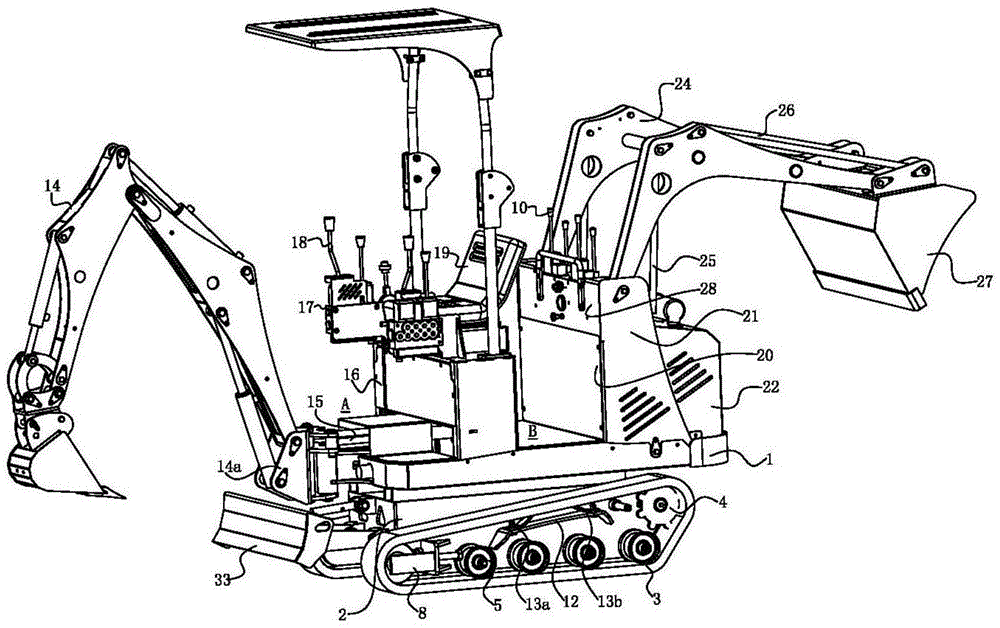
ကိုယ်ထည်နှင့်လမ်းလျှောက်စနစ်:


Tailless Turning Design: Sany SY18U သည် Sany SY18U နှင့်မော်ဒယ်လ်များဖြစ်သော "သုည, တစ်ချိန်တည်းမှာပင်ကျွန်ုပ်တို့၏ 0.8TON Mini တူးဖော်သူသည် 1.1m ၏အလှည့်အလှည့်ကိုရရှိနိုင်ပါသည်။


ချိန်ညှိနိုင်သောလမ်းကြောင်း frame: track gauge သည် (980-1350 မီလီမီတာကျယ်ပြန့်သောချဲ့ထွင်ခြင်းနှင့်ကျုံ့ခြင်းများ) ကိုလွတ်လပ်စွာချိန်ညှိနိုင်သည်။ ရော်ဘာလမ်းကြောင်းသည် 25 ကီလိုမီတာအထိနိမ့်ကျပြီးခင်းထားသောမြေကိုကာကွယ်ပေးသည်။


Self Shemirive bearings: yyma chassis သည်အစဉ်အလာအရ GAST 0 င်များအစား islidur g seres ည့်သည်များအစား,




ပါဝါနှင့်ဟိုက်ဒရောလစ်စနစ်:


Dual Mode Power Revolution - Diesel / Electric One ကိုထောက်ပံ့သော Kubota KX019 ကိုလက်ခံသည်။ switching one switching one switching one switching one switching one switching one switching ကိုထောက်ပံ့သည်။


အသိဉာဏ်ရှိသောဟိုက်ဒရောလစ်ထိန်းချုပ်မှု - load Sensitive Technology (Shengang Sk35sr-6 ကဲ့သို့သော) စီးဆင်းမှုဖြန့်ဖြူးခြင်းတိကျမှန်ကန်မှုကို (6),




အလုပ်လုပ်ပစ္စည်းကိရိယာများတိုးမြှင့်ခြင်း:


ခံနိုင်ရည်ရှိသည့်ဖွဲ့စည်းပုံကိုဝတ်ဆင်ခြင်း - Compact တူးဖော်သည့်စ်၏စောင်းသည်ပူပြင်းသည့်အပူကုသမှုခံယူမှု (Hardness HRC55 +) နှင့် 4 င်း၏ 0 န်ဆောင်မှုခံနိုင်ရည်ရှိသောပန်းကန် (HB500) ဖြင့် 0 န်ဆောင်မှုပေးသည်။


ဘေးထွက်ရွေ့လျားမှုလက်မောင်းမူပိုင်ခွင့် - Kubota U-15-3s သည် 595 မီလီမီတာ 350 မီလီမီတာ၏ 595 မီလီမီတာ / မှန်ကန်သောသွေဖည်မှုများကိုကျန်ရှိနေသေးပြီး 355 မီလီမီတာတွင်နံရံကပ်ထားသည့်တူးဖော်ရေးသည်ခန္ဓာကိုယ်ကိုရွေ့လျားရန်မလိုအပ်ပါ။


အမျိုးမျိုးသောလုပ်ငန်းခွင်ပတ် 0 န်းကျင်နှင့်လိုက်လျောညီထွေဖြစ်အောင်လုပ်ရန်ပြောင်းလွယ်ပြင်လွယ်ပြောင်းလွယ်ပြင်လွယ်ပြောင်းလွယ်ပြင်လွယ်သော rotary device ကို rotary device ကို။


လူ့ကွန်ပျူတာအပြန်အလှန်ဆက်သွယ်မှုအဆင့်မြှင့်


ခံနိုင်ရည်ရှိသည့်တက္ကစီလှိမ့်ခြင်း,


2, Maintenance နှင့်နေ့စဉ်ပြုပြင်ထိန်းသိမ်းမှု:

နေ့စဉ်ပြုပြင်ထိန်းသိမ်းမှု၏ရွှေစည်းမျဉ်း


ဟိုက်ဒရောလစ်ရေနံစီမံခန့်ခွဲမှု စုပ်စက်နှင့်အဆို့ရှင်ဝတ်ဆင်ခြင်းကိုကာကွယ်ရန် NAS (≤ level 8) ၏သန့်ရှင်းမှုများကိုပုံမှန်စစ်ဆေးပါ။


ထောပတ်ဖြည့်စွက်သံသရာ: Rot မှောက်ခြင်းအတွက် 10 ရက်တိုင်းအတွက်အမဲဆီသွင်းခြင်းနှင့် PIN ရိုးတံကိုရှောင်ရှားရန်အလုပ်လုပ်စက်၏ပတ်တာအမှတ်အတွက် 4-8 နာရီတိုင်းအတွက် 4-8 နာရီတိုင်းအတွက် 4-8 နာရီတိုင်းဆေးကြောသန့်စင်။




အဓိကအစိတ်အပိုင်းဘဝသက်တမ်းတိုးနည်းစနစ်:


Track System: အသည်းအသန် (သွားများခုန်ချခြင်း) သို့မဟုတ်အလွန်တင်းကျပ်ခြင်း (အရှိန်မြှင့်ခြင်း) ကိုရှောင်ရှားရန်တင်းမာမှုကိုညှိပါ။ သန့်စင်သောဘီး၏တံဆိပ်ခတ်ပျက်ကွက်မှုကိုကာကွယ်ရန်ကျောက်စရစ်များကိုပုံမှန်သန့်ရှင်းရေး။


"Wear Iron Triangle" ကိုထိန်းသိမ်းခြင်း -

အက်ကြောင်း / 500h အတွက်ဖိနပ်စစ်ဆေးရေးခြေရာခံ

Drive Sprocket သွားများသည်မြေပြင်ပြားများနှင့်ချက်ချင်းအစားထိုးသည်

Inert ဘီးတံဆိပ်ခတ်ရေနံယိုစိမ့်မှုကိုပြန်လည်ပြုပြင်ရန်လိုအပ်သည်

Stowers Cat စာရင်းအင်းများအရကိုယ်ထည်ပျက်ကွက်မှု 80% သည်ဤအစိတ်အပိုင်းသုံးမျိုးကြောင့်ဖြစ်သည်။


အစွန်းရောက်လုပ်ငန်းခွင်အခြေအနေများကိုင်တွယ်ရန်အတွက်လမ်းညွှန်ချက်များ -


မြင့်မားသောအမြင့်စစ်ဆင်ရေး - Mini တူးဖော်ရေးရာ၏အင်ဂျင်သည်လျှပ်စစ်ဓာတ်အားလျော်ကြေးပေးမှု 15% ရှိပြီးစီးဆင်းမှုဆုံးရှုံးမှုကိုကာကွယ်ရန်ဟိုက်ဒရောလစ်စနစ်သည်ဖိအားပေးမှုအဆို့ရှင်များတပ်ဆင်ထားသည်။

ရေပိတ်ဆို့ခြင်း - အီတလီရေဘေးကယ်ဆယ်ရေးလုပ်ငန်းတွင်ခေတ်သစ် HX35 ဇသည်တံဆိပ်ခတ်ထားသော circuit module မှတစ်ဆင့် 0.8 မီတာအတိမ်အနက်ကိုရရှိခဲ့သည်။


ရေရှည်သိုလှောင်မှုစံနှုန်းများ:


ခြောက်သွေ့သောအခန်းတစ်ခန်းတွင်ပန်းခြံ,

ငွေ့ရည်ဖွဲ့ခြင်းကိုတားဆီးရန်ဟိုက်ဒရောလစ်ဆလင်ဒါများအားလုံးကိုပြန်လည်ရုပ်သိမ်းရန်,

တိုက်နယ်ဘုတ်အဖွဲ့ကိုစိုစွတ်ခြင်းမှကာကွယ်ရန် 3 လတစ်ကြိမ်စတင်ပါ။


3, နည်းပညာနယ်စပ်: လျှပ်စစ်မီးနှင့်စက်မှုဂေဟဗေဒ၏အသိဉာဏ်ပြန်လည်ဖွဲ့စည်းခြင်း

ပါဝါတော်လှန်ရေး


Modar Battery: Hitachi ZX55U-6EB သည်စီးပွားဖြစ်စွမ်းအားနှင့်ဘက်ထရီအားနှစ်မျိုးဖြင့် အသုံးပြု. 6 နာရီအတွင်း 10 နာရီလည်ပတ်မှုနှင့်တွေ့ဆုံရန် 2 နာရီကြာမြန်မြန်ဆန်ဆန်အားသွင်းရန်အစာရှောင်ခြင်းအားသွင်းသည်။


ဟိုက်ဒရိုဂျင်စွမ်းအင်စစ်ဆေးမှု - HD Hyundai သည်ကာဗွန်ဆောက်လုပ်ခြင်းသုညဆောက်လုပ်ရေးကိုရရှိရန်ဟိုက်ဒဒစ်လောင်စာဆီ (HX12) ကိုတီထွင်ခဲ့သည်။


ကြိုတင်ခန့်မှန်းထိန်းသိမ်းခြင်း -


Iot Remote Diagnosise: Sany Sy35U သည်ဟိုင်းမိတ်ဖက်စနစ်တပ်ဆင်ထားပြီး, အများအားဖြင့်ရေနံအပူချိန်နှင့်တုန်ခါမှုအချက်အလက်များကိုအချိန်မှန်ခွဲခြမ်းစိတ်ဖြာခြင်း,


AR Maintenance Assistance: Kaise Micro တူးဖော်ရေးသင်တန်းများသည် Smallants အသေးစားများအတွက် VR စစ်ဆင်ရေးလေ့ကျင့်မှုများကိုထောက်ပံ့ပေးသည်။


4 လက်တွေ့သက်သေခံချက် - ရှေးခေတ်အိမ်ပြန်လည်ထူထောင်ရေးမှသတ္တုတွင်းတူးရန်

Taizhou ရှိ Ming နှင့် Qing မင်းဆက်ပညာရှင်များကိုပြန်လည်ထူထောင်ခြင်း - Kubota U-15-3s အသေးစားတူးဖော်ရေးသည်မြေအောက်ပိုက်တုတ်ကျင်းတူးဖော်ခြင်းကို 0.85 မီတာမှတစ်ဆင့်တူးဖော်ခြင်းကိုပြီးစီးခဲ့သည်။


ချီလီကြေးနီသတ္တုတွင်းတစ်ခုတွင်မြေအောက်စစ်ဆင်ရေးများ - ပြုပြင်ထားသောအားဖြည့်ထားသောတက္ကစီနှင့်အတူကျစ်လစ်သိပ်သည်းသောတက္ကစီနှင့်အတူနာရီပေါင်း 300 နာရီအတွင်းအစဉ်မပြတ်လည်ပတ်နေပြီးကုန်ကျစရိတ် 23% လျှော့ချနိုင်သည်။


Tokyo Nighttime Manaptal ဆောက်လုပ်ရေး - Sany Sy19e Mini တူးဖော်ရေး၏စင်ကြယ်သောလျှပ်စစ်ဗားရှင်းသည် 66 decibels တွင်တိတ်တဆိတ်လည်ပတ်သည်။


နိဂုံး - ခန္ဓာကိုယ်သေးငယ်တဲ့ခန္ဓာကိုယ်ကကြီးမားတဲ့အနာဂတ်ကိုသယ်ဆောင်တယ်

0.8-ultra-thin ပါးလွှာသောမော်ဒယ်လ်မှ 4 တန်လေးလံသောစစ်သည်တော် 4 မှ 4 တန်လေးလံသောစစ်သည်တော် 4 မှတူးဖော်ခြင်းများအနေဖြင့်တိကျသောဆောက်လုပ်ရေး, နှစ်စဉ်ရောင်းဝယ်မှုသည်အိန္ဒိယဈေးကွက်တွင်ယူနစ် 3100 ကျော်နှင့် 2025 ခုနှစ်တွင်လျှပ်စစ်မော်တာအတွက် 40% သော 0 င်ရောက်စွက်ဖက်မှုနှုန်းကိုကျော်လွန်ပြီး "ကြီးမားသောအမြတ်အစွန်းကို အသုံးပြု. ကြီးမားသော" ၏နည်းပညာဆိုင်ရာတော်လှန်ရေးသည်ရွှေရောင်အခွင့်အလမ်းများကိုဖော်ထုတ်ရန်ရည်ရွယ်သည်။


စက်မှုလုပ်ငန်းပြုပြင်ထိန်းသိမ်းရေးအတွေ့အကြုံ -

ကျစ်လစ်သိပ်သည်းသောတူးဖော်သူများအတွက်တိကျစွာဒီဇိုင်းသည်ကျောရိုးဖြစ်သည်။



ဆက်စပ်သတင်း
ငါ့ကို မက်ဆေ့ချ် ထားခဲ့ပါ။
သတင်းအကြံပြုချက်များ
အီးမေး
market@everglorymachinery.com
မိုဘိုင်း
လိပ်စာ
Changjiang West Road, Huangdao ခရိုင်, Qingdao City, Shandaong ပြည်နယ်,
X
သင့်အား ပိုမိုကောင်းမွန်သောကြည့်ရှုမှုအတွေ့အကြုံကို ပေးဆောင်ရန်၊ ဆိုက်အသွားအလာကို ပိုင်းခြားစိတ်ဖြာပြီး အကြောင်းအရာကို ပုဂ္ဂိုလ်ရေးသီးသန့်ပြုလုပ်ရန် ကျွန်ုပ်တို့သည် ကွတ်ကီးများကို အသုံးပြုပါသည်။ ဤဆိုက်ကိုအသုံးပြုခြင်းဖြင့် ကျွန်ုပ်တို့၏ cookies အသုံးပြုမှုကို သင်သဘောတူပါသည်။ ကိုယ်ရေးအချက်အလက်မူဝါဒ
ငြင်းပယ်ပါ။ လက်ခံပါတယ်။